养殖业成本的计算涉及多个方面,主要包括以下几个方面:
直接材料成本
种苗成本:购买家禽种苗的费用,如鸡苗、猪苗等。

饲料成本:包括各种饲料原料及辅助材料的采购费用,以及根据养殖动物不同生长阶段的饲料消耗量计算出的总饲料成本。
兽药和疫苗成本:用于动物防疫和疾病治疗的疫苗和药品费用。
直接人工成本
养殖工人工资:包括饲养员、兽医、管理人员等的工资及福利费用。
其他相关人工成本:如清洁卫生、疾病防治等工作所支付的人工费用。
制造费用
场地成本:无论是租赁还是自建,场地成本都要计算,包括租金或建筑成本,并分摊到每个养殖周期。
设备成本:包括养殖设备如喂食器、饮水器、通风设备等按照一定的折旧方法计算的折旧费用。
水电费:养殖过程中消耗的水费和电费。
借款利息:如果是贷款养殖,需要计算贷款利息支出。
其他费用
运输费用:将养殖动物运送到市场的费用。
死亡损失费:零星死亡的动物的成本。
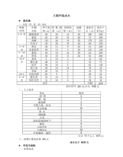
具体计算示例
# 生猪养殖成本计算
仔猪成本
购买仔猪的费用或自繁自养情况下母猪的饲养、配种、分娩等成本分摊到每头仔猪。
饲料成本
根据不同生长阶段的饲料配方和消耗量,以及各种饲料原料的价格计算。
疫苗及药品成本
统计购买疫苗和药品的总费用,再除以养殖数量。

人工成本
员工工资及福利总和除以养殖数量。
水电费
养殖过程中消耗的水费和电费。
折旧费用
养殖场地及设备的原值、预计使用年限和残值率,采用直线法或加速折旧法计算每月的折旧费用。
借款利息
贷款所支付的利息。
综合示例
假设一个养殖场养殖100头猪,以下是一个简化的成本计算示例:
仔猪成本
购买100头仔猪,每头仔猪1000元,总成本为100,000元。
饲料成本
假设每头猪每天消耗20公斤饲料,饲料价格为3元/公斤,保育期30天,育肥期60天,则每头猪的饲料成本为:
保育期饲料成本 = 20千克/天 × 3元/千克 × 30天 = 1800元
育肥期饲料成本 = 20千克/天 × 3元/千克 × 60天 = 3600元
总饲料成本 = 1800元 + 3600元 = 5400元
100头猪的总饲料成本 = 5400元 × 100 = 540,000元
疫苗及药品成本
每头猪100元,总成本为10000元。
人工成本
假设雇佣5名工人,每人每月工资5000元,总工资为25,000元,分摊到每头猪为250元。
水电费
假设每月水电费为10,000元,分摊到每头猪为100元。

折旧费用
假设养殖设备总价值为100,000元,使用年限10年,残值率为10%,则每头猪的折旧费用为:
折旧费用 = 100,000元 × (1 - 0.1) / 10年 / 100头 = 90元
借款利息
假设贷款100,000元,年利率为5%,则年利息为5,000元,分摊到每头猪为50元。
总成本计算
总成本 = 仔猪成本 + 饲料成本 + 疫苗及药品成本 + 人工










